分布式光伏防逆流全攻略:新能源消纳策略深度解析
近日,国家能源局正式发布了旨在促进新能源高质量发展的通知,该通知聚焦于网源协调发展、提升系统调节能力、优化电网资源配置及新能源利用率目标等多个关键领域,为构建新型能源体系、推进“双碳”目标提供了具体指导。
通知中特别提到,对于分布式光伏政策,鼓励就地消纳,并禁止直接并网。新上的分布式光伏项目需实施防逆流管理,这引发了业界对于监视位置的广泛关注。实际上,分布式光伏发电系统与电网的连接点,即并网点,是监测防逆流情况的关键位置。这些并网点可能连接至公共电网,也可能接入用户电网。
为了帮助理解复杂的并网点概念,以下图示清晰展示了用户电网与公共电网的连接关系。在用户电网内部,分布式光伏发电系统通过不同的并网点与用户电网相连,而这些并网点并非公共连接点。只有当分布式光伏发电系统直接与公共电网相连时,该点才既是并网点也是公共连接点。因此,为了有效实施防逆流管理,应重点监视公共连接点的上网功率。
为了应对这一挑战,安科瑞公司推出了分布式光伏监控系统Acrel-1000DP,该系统结合防逆流保护装置AM5SE-IS,能够实时监测市电下网电量,并通过软件内置的防逆流控制策略,确保站点满足防逆流并网要求。防逆流保护装置还具备逆功率保护功能,为系统提供了双重保障。
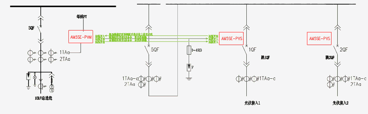
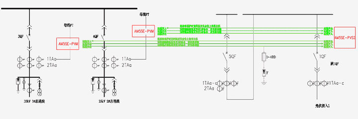
根据GB/T 50865标准,当光伏发电系统设计为不可逆并网方式时,必须配置逆向功率保护设备。一旦检测到逆向电流超过额定输出的5%,光伏发电系统应在2秒内自动降低出力或停止向电网送电。为了满足这一要求,安科瑞提供了两款防逆流保护装置,以适应不同的应用场景。
当并网点与逆流检测点距离较近时,可以选择AM5SE-IS防逆流保护装置,该装置具备逆功率跳闸、逆功率恢复合闸以及低功率跳闸、低功率恢复合闸等功能。而当并网点与逆流检测点距离较远(超过200米)时,则应选择AM5SE-PV系列主从机防逆流保护装置,该系列装置不仅具备AM5SE-IS的所有功能,还支持主从机方案,实现了更复杂的防逆流保护功能。
安科瑞的分布式光伏监控系统及防逆流保护装置为分布式光伏项目提供了全面、可靠的解决方案,有助于推动新能源的高质量发展,为实现“双碳”目标贡献力量。
相关阅读
-
ipadmini2现在还能用吗,苹果ipadmini2现在还能用吗
2023年ipadmini2还能用吗?根据目前的技术发展趋势来看,2023年的iPad mini 2可能已经过时,无法满足最新的软件和应用程序的要求。随着时间的推移,新的操作系统和应用程序通常需要更高的处理能力和更大的内存。因此,尽管iPa
-
越南计划成为半导体领先国家,雄心壮志与挑战并存
随着全球半导体市场的不断扩大和技术的飞速发展,越南作为一个具有潜力和优势的新兴经济体,正计划成为半导体领域的领先国家,这一雄心壮志的背后,既体现了越南政府对半导体产业重要性的认识,也反映了该国在半导体领域的独特优势和发展潜力,本文将探讨越南
-
华为p20pro,华为p20pro上市时间和价格
华为P20 Pro值得入手吗?你好,华为p20pro是一款非常不错的手机。如果你没有以下问题,那是真心非常建议你立即下手购买的了。1,如果你很穷,只买得起红米、小米,那么,很显然,你不值得入手华为p20rpo的了。2,如果你就是看不惯国产手
-
深度解析,三星I9100——一部经典的智能手机传奇
亲爱的读者,你是否曾对一款手机的历史和影响力感到好奇?我们要聊的是那个曾经风靡全球,引领智能手机潮流的明星——三星Galaxy S II,型号为I9100,这款手机就像一部活生生的历史教科书,展示了科技与设计如何完美融合,让我们一起走进它的
-
深度探索,联想A370e手机,实用与创新的完美结合
在这个科技日新月异的时代,一款优质的手机不仅是我们日常生活中的得力助手,更是我们了解科技魅力的窗口,我们将聚焦联想A370e,这款以实用性和创新性并重的智能手机,带你走进它的世界,感受其独特的魅力。联想A370e的外观设计:简约而不简单联想
-
风车动漫网,探索动画世界的瑰宝与创新引擎
在信息爆炸的现代社会,我们有幸拥有一种名为“动漫”的艺术形式,它以独特的视觉语言和丰富的情感内涵,引领我们走进一个充满想象力的奇幻世界,我要向大家介绍的就是这样一个充满活力与创新精神的平台——风车动漫网。风车动漫网,这个名字本身就蕴含着对传

